Уплотнитель для алюминиевых систем изготавливается методом экструзии из пластифицированного ПВХ (FPVC) имеет эластичную структуру и не подвержен разрушению при резком перепаде температур и воздействия ультрафиолета (солнечных лучей).
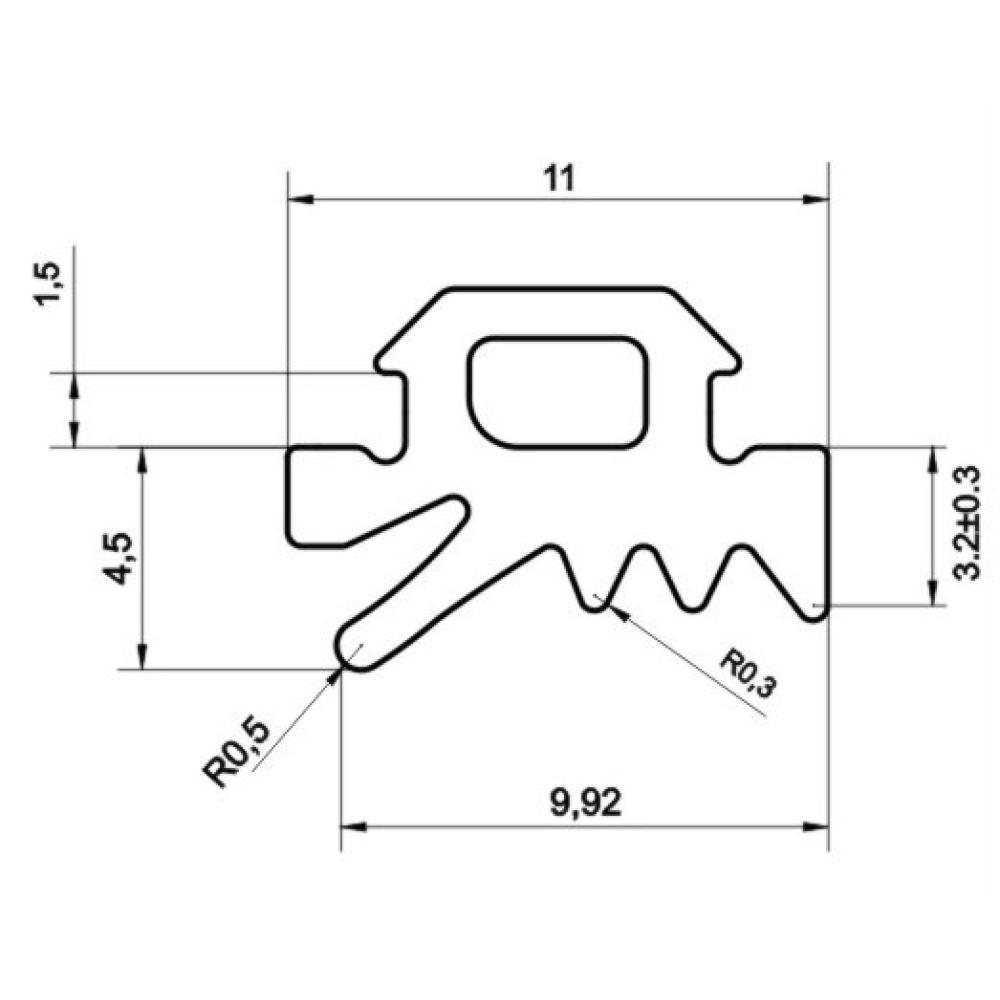
Уплотнитель ТПУ 6001 предназначен для стеклопакета алюминиевых окон он вставляется между стеклопакетом и рамой окна с наружной стороны и обеспечивает герметичность и гидроизоляцию оконной системы.
Срок службы более 10 лет.
Уплотнитель ТПУ 6001 предназначен для стеклопакета алюминиевых окон он вставляется между стеклопакетом и рамой окна с наружной стороны и обеспечивает герметичность и гидроизоляцию оконной системы.
Срок службы более 10 лет.
Характеристики
- !Meta Description (1c-mart.ru)
- ТПУ-6001, уплотнитель (со стороны стекла), , Витра
- !Meta Keywords (1c-mart.ru)
- ТПУ-6001, уплотнитель (со стороны стекла),
- !Seo H1 (1c-mart.ru)
- ТПУ-6001, уплотнитель (со стороны стекла)
- !Seo Titles (1c-mart.ru)
- ТПУ-6001, уплотнитель (со стороны стекла)
- !SEO URLs (1c-mart.ru)
- tpu-6001-uplotnitel-so-storony-stekla-.html
- !Tags (1c-mart.ru)
- ТПУ-6001,,уплотнитель,(со,стороны,стекла),ТПУ-6001
- product_id1
- 1 249
- Страна Производитель
- Россия
