Уплотнитель для алюминиевых систем изготавливается методом экструзии из пластифицированного ПВХ (FPVC) имеет эластичную структуру и не подвержен разрушению при резком перепаде температур и воздействия ультрафиолета (солнечных лучей).
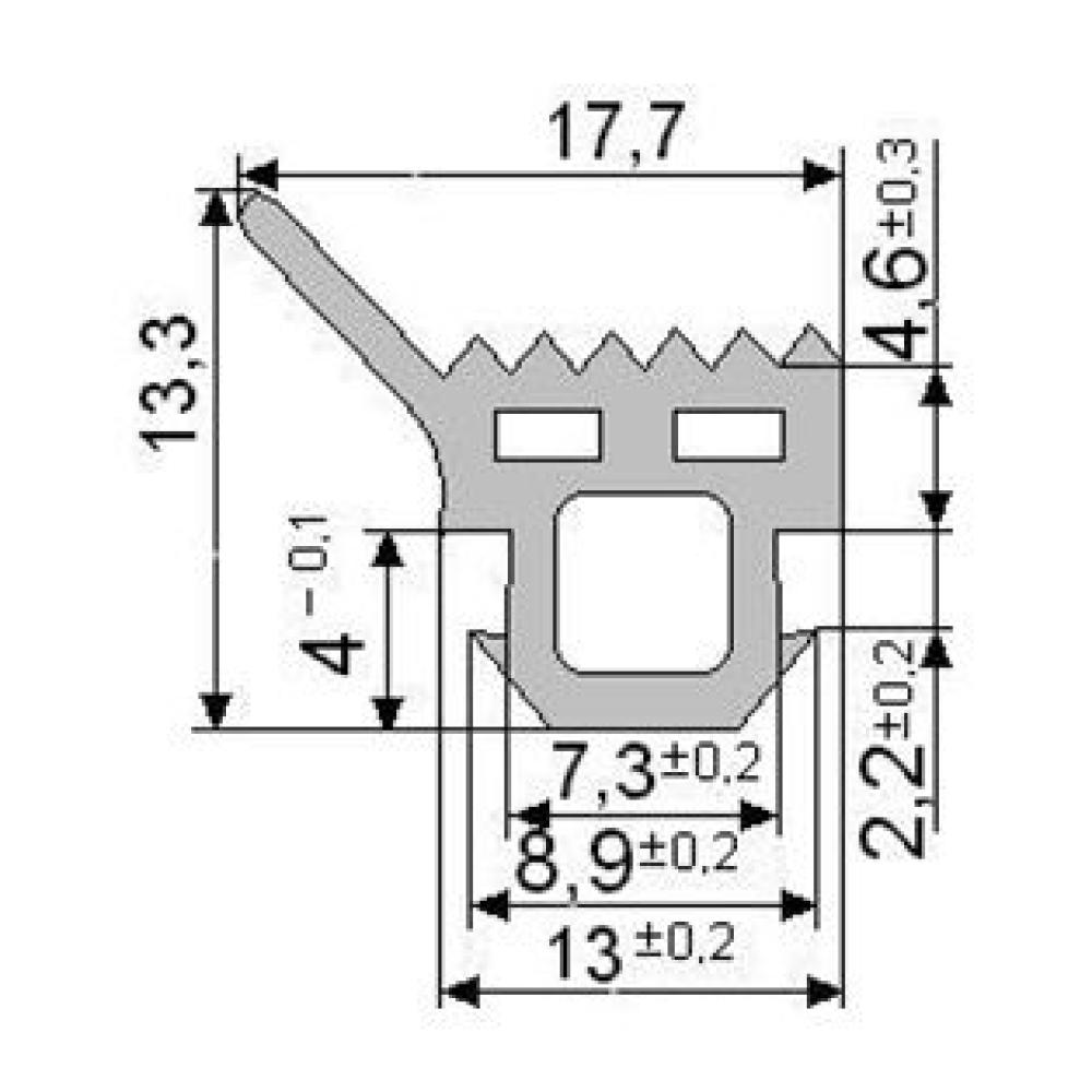
Уплотнитель ТПУ 007 предназначен для стеклопакета алюминиевых окон, он вставляется между стеклопакетом и рамой окна с наружной стороны и обеспечивает герметичность и гидроизоляцию оконной системы.
Срок службы более 10 лет.
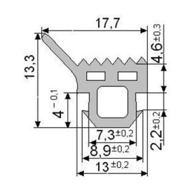
Уплотнитель ТПУ 007 предназначен для стеклопакета алюминиевых окон, он вставляется между стеклопакетом и рамой окна с наружной стороны и обеспечивает герметичность и гидроизоляцию оконной системы.
Срок службы более 10 лет.
Характеристики
- !Meta Description (1c-mart.ru)
- ТПУ-007 ММ, уплотнитель (со стороны прижима), , Ви
- !Meta Keywords (1c-mart.ru)
- ТПУ-007 ММ, уплотнитель (со стороны прижима),
- !Seo H1 (1c-mart.ru)
- ТПУ-007 ММ, уплотнитель (со стороны прижима)
- !Seo Titles (1c-mart.ru)
- ТПУ-007 ММ, уплотнитель (со стороны прижима)
- !SEO URLs (1c-mart.ru)
- tpu-007-mm-uplotnitel-so-storony-prizhima-.html
- !Tags (1c-mart.ru)
- ТПУ-007,ММ,,уплотнитель,(со,стороны,прижима),ТПУ-0
- product_id1
- 1 248
- Страна Производитель
- Россия
